• 麻豆一级片免费观看,麻豆啪啪啪免费观看,麻豆自慰在线观看,麻豆裸体视频国产免费观看

    欢迎访问佛山市麻豆啪啪啪免费观看传感仪器有限公司官网!

    解决方案

    产品分类

    联系麻豆一级片免费观看

    佛山市麻豆啪啪啪免费观看传感仪器有限公司

    联系人:张总

    电话:0757-22300095

    手机:18902563858

    邮箱:931199351@qq.com

    传真:0757-22300097

    地址:广东省佛山市顺德区勒流富安工业区光电产业园4栋303号

    网址:www.chuangye020.net


    HDM-LG隔爆型位移传感器

    您的当前位置: 首 页 >> 产品中心 >> 磁致伸缩传感器

    HDM-LG隔爆型位移传感器

    • 所属分类:磁致伸缩传感器

    • 品牌:麻豆啪啪啪免费观看
    • 点击次数:
    • 发布日期:2021/06/26
    • 在线询价
    • 详细介绍

    【产品介绍】:

        HDM-LG隔爆型磁致伸缩位移传感器是应用磁致伸缩原理研制,达到计量级的高精度测量位移的传感器。因非接触式连续测量、使用寿命长,高精度、高重复性测量等优点,得到广泛的应用。磁致伸缩位移传感器灵活的供电方式和多种可选信号输出,可应用在各种闭环控制系统中,在国内外要求精确测量的设备和配套系统中被广泛应用。 

    【系列用途】:

    CNG压缩机

    ◆基站柴油发电机油箱麻豆裸体视频国产免费观看检测

    ◆伺服液压油缸、气缸活塞

    【产品特点】:

    ◆接触式测量,无磨损

    ◆绝对位置量输出

    ◆单个传感器可测量1或2个同轴运动位置

    ◆重复精度高,产品一致性好

    【应用概述】:

       磁致伸缩位移传感器采用磁致伸缩原理,非接触式结构,具有使用寿命长,精度高、重复性好等测量优点,在液动式CNG压缩机(压缩缸)上得到广泛的应用。

    【产品参数】:

    供电电源: +24VDC±10%;±15VDC±10% ;+12VDC~+24VDC ±10%

    输出方式: 0~5VDC、0~10VDC、-5~+5VDC、-10~+10VDC 、4~20mADC、Modbus-RTU、Modbus-ASCII、SSI、Profibus、START/STOP等

    有效量程范围: 刚性结构50~5000mm;柔性结构4000~20000mm(可根据客户特殊要求订做)

    负载特性: 电流信号输出最大负载电阻为500Ω;电压信号输出最大负载电流为2mA工作电流<70mA

    非线性误差: <±0.05%F.S.(300mm以下最大误差150um)

    重复性误差: <±0.002%F.S

    分辨率: 模拟采用16BitD/A转换;数字<1μm

    迟滞: <±0.002%F.S.

    温度影响: <±0.007%/F.S./℃

    工作温度:-40~+85℃

    储存温度: -40~+100℃

    零点可调范围: 100%F.S

    满度可调范围:100%F.S

    更新时间: 与量程有关,不超过20ms

    测杆材质: 304、316不锈钢(特殊定制)

    电子仓外壳材质: 304

    连接形式: A.螺纹连接、B.法兰连接、C.固定座

    出线方式:A.直出电缆线、B.航空插头、C.接线端子

    外壳防护等级: 电子仓IP65、测杆IP68

    防爆标志: ExdⅡBT5、ExiaⅡCT6

    【产品选型说明】:

     磁致伸缩位移传感器选型表


    SSI磁致伸缩位移传感器选型表


    MODBUS磁致伸缩位移传感器选型表

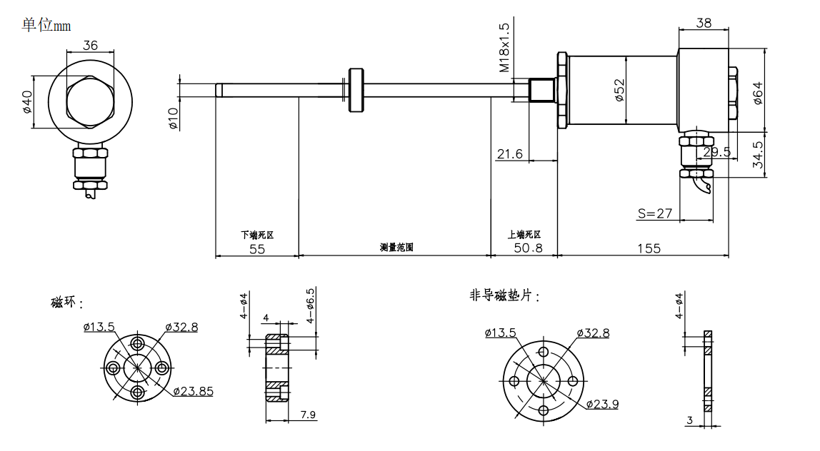
    【产品尺寸图】:

    隔爆型位移传感器尺寸图

    注:麻豆一级片免费观看提供的产品技术性能指标仅供客户参考。所有参数均在理想的工作和环境条件下获得,故这些参数有可能根据实际的客户工作条件而发生显著的变化。在产品定义性能指标范围之内或接近的范围之内应用麻豆一级片免费观看的产品,上述产品技术性能指标因为要兼顾其他的客户技术指标要求会存在一定的局限性。因此,最终客户必须验证预期应用中的性能参数。麻豆一级片免费观看保留随时更新产品技术指标的权利,恕不另行通知。

    本文网址:http://www.chuangye020.net/product/734.html

    关键词:KYDM隔爆型磁致伸缩位移传感器,隔爆型磁致伸缩位移传感器,隔爆型位移传感器

    上一篇:没有了
    下一篇:HDM-LP C型磁致伸缩线性位移传感器

    最近浏览:

    相关产品:

    相关新闻:

    欢迎给麻豆一级片免费观看留言
    请在此输入留言内容,麻豆一级片免费观看会尽快与您联系。
    姓名
    联系人
    电话
    座机/手机号码
    邮箱
    邮箱
    地址
    地址
    网站地图