• 麻豆一级片免费观看,麻豆啪啪啪免费观看,麻豆自慰在线观看,麻豆裸体视频国产免费观看

    欢迎访问佛山市麻豆啪啪啪免费观看传感仪器有限公司官网!

    解决方案

    产品分类

    联系麻豆一级片免费观看

    佛山市麻豆啪啪啪免费观看传感仪器有限公司

    联系人:张总

    电话:0757-22300095

    手机:18902563858

    邮箱:931199351@qq.com

    传真:0757-22300097

    地址:广东省佛山市顺德区勒流富安工业区光电产业园4栋303号

    网址:www.chuangye020.net


    3351单晶硅智能麻豆自慰在线观看变送器

    您的当前位置: 首 页 >> 产品中心 >> 麻豆自慰在线观看传感器

    3351单晶硅智能麻豆自慰在线观看变送器

    • 所属分类:麻豆自慰在线观看传感器

    • 点击次数:
    • 发布日期:2024/12/12
    • 在线询价
    • 详细介绍

    【产品概述】

        HD3351单晶硅智能麻豆自慰在线观看变送器采用德国先进的MEMS技术制成的单晶硅感压芯片、全球独创的单晶硅双梁悬浮式设计,实现了国际领先的高准确度、超高过压性能优异的稳定性。内嵌智能信号处理模块,实现静压与温度补偿的完美结合,可在大范围内的静压和温度变化下提供极高的测量精度和长期稳定性。

        单晶硅麻豆自慰在线观看变送器能准确的测量麻豆自慰在线观看并把它转换成4~20mADC的输出信号。该传感器可通过三按键本地操作,或通用手操器、组态软件、以及手机 APP 远程操作,在不影响4~20mADC的输出信号的同时,进行显示与组态。


    【应用领域】

    ■ 电力/城市煤气/其它公司事业
    要求高稳定和高精度的麻豆自慰在线观看、麻豆裸体视频国产免费观看测量等场所。
    ■ 纸浆和造纸
    用于要求耐化学液体、耐腐蚀性液体的麻豆自慰在线观看、麻豆裸体视频国产免费观看测量场所。
    ■ 钢铁/ 色金属/陶瓷
    用于炉膛麻豆自慰在线观看、负压测量等要求高稳定性,高精度测量场所。
    ■ 机械装备/造船
    用于在严格控制麻豆自慰在线观看、麻豆裸体视频国产免费观看等指标条件下,要求稳定测量的场所。


    【产品特点】

    ■ 高准确度
    麻豆自慰在线观看传感器在0.1~40kPa~4MPa的测量范围内,可进行高准确度测量。标准校验量程精度:±0.075%FS

    ■ 微小量程下优异的过压性能

    1kPa标准量程单边过压达1MPa;6kPa标准量程单边过压达2MPa
    ■ 优异的环境适应性
    智能静压补偿和温度补偿,保护变送器不受温度、静压与过压的影响,将现场的综合测量误差控制到最小。
    ■ 灵活的量程压缩
    量程比:4:1(10:1可选)
    ■ 优异的操作性和使用便利性
    ▪ 备有5位带背光LCD数字显示器
    ▪ 多种显示功能 (Pa、kPa、MPa、bar、mbar、%、psi、mmH2O)
    ▪ 内置三按键快捷操作就地调整功能
    ▪ 通过手机 APP 进行远程调试
    ▪ 备有各种抗腐蚀材料
    ▪ 全面自诊断功能


    【主要技术参数】

    量程范围:0.1~40kPa~4MPa间可选

    精度等级:±0.075%FS、±0.10%FS、±0.20%FS

    工作电压:24(12.5~48)VDC
    输出信号:4~20mA(可带HART协议数字通讯)、RS485
    工作温度:-20℃~60℃
    迁移震动影响:任意轴上,200HZ/g为0.01%FS, 年稳定性优于0.2%<
    温度影响:-20℃~60℃±0.1%/10k


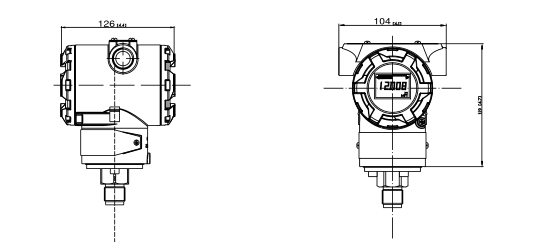
    【产品尺寸】

    image.png


    【安装示意图】

    image.png


    本文网址:http://www.chuangye020.net/product/796.html

    关键词:3351单晶硅智能麻豆自慰在线观看变送器,3351麻豆自慰在线观看变送器,3351智能麻豆自慰在线观看变送器

    最近浏览:

    相关产品:

    相关新闻:

    欢迎给麻豆一级片免费观看留言
    请在此输入留言内容,麻豆一级片免费观看会尽快与您联系。
    姓名
    联系人
    电话
    座机/手机号码
    邮箱
    邮箱
    地址
    地址
    网站地图