• 麻豆一级片免费观看,麻豆啪啪啪免费观看,麻豆自慰在线观看,麻豆裸体视频国产免费观看

    欢迎访问佛山市麻豆啪啪啪免费观看传感仪器有限公司官网!

    解决方案

    产品分类

    联系麻豆一级片免费观看

    佛山市麻豆啪啪啪免费观看传感仪器有限公司

    联系人:张总

    电话:0757-22300095

    手机:18902563858

    邮箱:931199351@qq.com

    传真:0757-22300097

    地址:广东省佛山市顺德区勒流富安工业区光电产业园4栋303号

    网址:www.chuangye020.net


    江苏HDS3051麻豆自慰在线观看式麻豆一级片免费观看

    江苏HDS3051麻豆自慰在线观看式麻豆一级片免费观看

    • 所属分类:江苏麻豆一级片免费观看

    • 点击次数:
    • 发布日期:2024/12/13
    • 在线询价
    • 详细介绍

        HDS3051压差式麻豆一级片免费观看,也叫沉降监测麻豆一级片免费观看,是一种高精密麻豆裸体视频国产免费观看测量仪器,用于测量基础和建筑物各个测点的相对沉降。整套水准仪由储液器、水准仪、通联气管、液管及数据采集仪等部件组成。

        主要应用于大型建筑物、高层建筑物、大坝、水电站、核电站、水利枢纽工程、铁路、地铁、高铁、综合管廊等各测点不均匀沉降的测量。

    【工作原理】

         HDS3051压差式麻豆一级片免费观看是基于连通器原理,通过测量若干个相互联通的安装于被测量点储液罐液面高度与测量基点(不动点)液罐液面高度的相对变化,反推出各个储液罐安装位置相对位置沉降变化量的一种精密仪器。

    【应用领域】

    • 轨道交通路基沉降监测                   地铁支撑墙沉降监测

    • 隧道上部山体及建筑物                   高速公路路基、边坡沉降检测

    • 桥墩、基坑沉降检测                         大坝及水利枢纽、高层建筑的基础

    • 核电站、大型水电站                      综合管廊沉降监测

    【主要技术参数】

    • 量程:  0~500~1000~20mH2O (量程可定制)

    • 输出:  默认RS485(MODBUS-RTU协议), 4~20mA等

    • 显示分辩率:  0.01mmH2O

    • 精度:  ±0.075%FS、±0.1%FS

    • 供电:  12VDC(7~30VDC,极限5VDC)

    • 绝缘电阻:   ≥1000 MΩ/100VDC

    • 补偿温度:  -20~60℃(特殊温区订货时注明,可定制补偿负30℃超低温)

    • 介质温度:  -40~85℃

    • 环境温度:  -40~85℃

    • 储存温:  -40~85℃

    • 相对湿度:  0~95% RH

    • 密封等级:  IP67/(可定制IP68)

    • 过载能力:  150%FS

    • 响应时间:  ≤10mS

    • 稳定性:  ≤±0.03%FS/年

    • 振动影响:  ≤±0.15%FS/年(机械振动频率20Hz~1000Hz)

    • 电气连接:  四芯防水航空接插件

    • 介质连接:  Ф10*6.5mmPU液管和Ф8*5mmPU气管

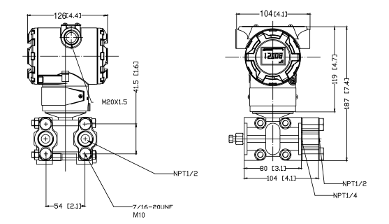
    【尺寸图(单位mm)】

    c662f53e2f26a2dcc19beee049c1f291_1561001733857511.png

    【安装示意图】


    压差式麻豆一级片免费观看安装示意图

    【麻豆啪啪啪免费观看云沉降监测平台】

    沉降监测平台



    本文网址:http://www.chuangye020.net/product/797.html

    关键词:压差式麻豆一级片免费观看,3051麻豆一级片免费观看,麻豆自慰在线观看式麻豆一级片免费观看

    最近浏览:

    欢迎给麻豆一级片免费观看留言
    请在此输入留言内容,麻豆一级片免费观看会尽快与您联系。
    姓名
    联系人
    电话
    座机/手机号码
    邮箱
    邮箱
    地址
    地址
    网站地图