• 麻豆一级片免费观看,麻豆啪啪啪免费观看,麻豆自慰在线观看,麻豆裸体视频国产免费观看

    欢迎访问佛山市麻豆啪啪啪免费观看传感仪器有限公司官网!

    解决方案

    产品分类

    联系麻豆一级片免费观看

    佛山市麻豆啪啪啪免费观看传感仪器有限公司

    联系人:张总

    电话:0757-22300095

    手机:18902563858

    邮箱:931199351@qq.com

    传真:0757-22300097

    地址:广东省佛山市顺德区勒流富安工业区光电产业园4栋303号

    网址:www.chuangye020.net


    深圳HDW207C轮幅式称重传感器

    您的当前位置: 首 页 >> 产品中心 >> 深圳称重测力传感器

    深圳HDW207C轮幅式称重传感器

    • 所属分类:深圳称重测力传感器

    • 品牌:麻豆啪啪啪免费观看
    • 点击次数:
    • 发布日期:2019/05/30
    • 在线询价
    • 详细介绍

    轮幅式称重传感器

    产品概述:

    高度低、钢性好、精度高、抗偏载能力强
    ◆广泛应用于于皮带秤、料斗秤、仓储秤、料罐、材料力学试验机、劳保安全检测设备
    可选配变送器输出三线制0~10mA、4~20mA或0~5V输出等
    量程:10,20,30,50,100kN



    主要技术参数:

     额定载荷

     10100kN

     综合精度

     0.05(线性+滞后+重复性)

     灵敏度

     2.0 mV/V

     蠕变

     ±0.05 %F·S/30min

     零点输出

     ±1 %F·S

     零点温度影响

     ±0.05 %F·S/10

     输出温度影响

     ±0.05 %F·S/10

     工作温度

     -20+65

     输入阻抗

     380±10 Ω  750±15 Ω

     输出阻抗

     350±3 Ω  700±5 Ω

     绝缘电阻

     >5000 

     安全过载

     150 F·S

     供桥电压

     建议10VDC

     材质

     合金钢或不锈钢

     接线方式

     

     电源(+)红线  电源(-)黑线

     输出(+)绿线  输出(-)白线



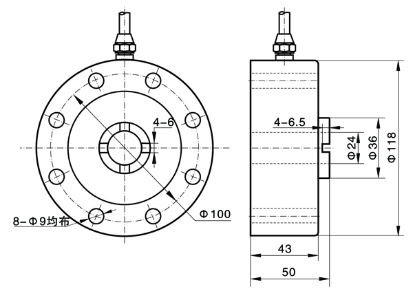
    尺寸图:

    HDW207C轮幅式测力传感器尺寸

    电子天平是一种称重仪器。它是运用轮幅式称重传感器或杠杆力平衡原理丈量物体质量的工具。依据结构原理,可分为机械秤、电子秤和机电秤三类。电子秤主要由三部分组成:承重体系(如秤体、秤体)、传力体系(如杠杆传力体系、传感器)、指示体系(如表盘、电子显现外表)。当物体放在天平上时,麻豆自慰在线观看作用于传感器。传感器具有弹性变形,使阻抗发生变化。一起,励磁电压改变,输出改变的模拟信号。信号被放大并输出到模数转换器。转换后的数字信号易于处理并输出到CPU操作控制。CPU依据键盘命令和程序将此结果输出到显现器。直到显现结果。只要选用现代传感器技能、电子技能和计算机技能相结合的电子称重设备,才能满足和处理现实生活中提出的“快速、精确、连续、主动”称重的要求,有效地消除人为差错,使之更符合应用要求。法定计量管理和工业生产过程控制的要求。历史上,最古老的秤存在的证据能够追溯到公元前2400年到公元前1800年在印度河流域(现在在巴基斯坦)。直到那时,还没有丈量体重的标准或精确度。在埃及,秤的运用能够追溯到公元前1878年左右,但它们的运用可能会更早。真正的现代称重仪是由达芬奇改进和发明的。跟着电子称重职业的开展,许多品牌逐渐进入中国市场。电子秤已被越来越多的人运用,越来越多的电子秤品牌对人类十分了解。

    本文网址:http://www.chuangye020.net/product/694.html

    关键词:轮幅式称重传感器定制,轮幅式称重传感器厂家,轮幅式称重传感器多少钱

    最近浏览:

    相关产品:

    相关新闻:

    欢迎给麻豆一级片免费观看留言
    请在此输入留言内容,麻豆一级片免费观看会尽快与您联系。
    姓名
    联系人
    电话
    座机/手机号码
    邮箱
    邮箱
    地址
    地址
    网站地图