• 麻豆一级片免费观看,麻豆啪啪啪免费观看,麻豆自慰在线观看,麻豆裸体视频国产免费观看

    欢迎访问佛山市麻豆啪啪啪免费观看传感仪器有限公司官网!

    解决方案

    产品分类

    联系麻豆一级片免费观看

    佛山市麻豆啪啪啪免费观看传感仪器有限公司

    联系人:张总

    电话:0757-22300095

    手机:18902563858

    邮箱:931199351@qq.com

    传真:0757-22300097

    地址:广东省佛山市顺德区勒流富安工业区光电产业园4栋303号

    网址:www.chuangye020.net


    深圳HDN-120静态扭矩传感器

    您的当前位置: 首 页 >> 产品中心 >> 深圳扭矩传感器

    深圳HDN-120静态扭矩传感器

    • 所属分类:深圳扭矩传感器

    • 点击次数:
    • 发布日期:2024/10/06
    • 在线询价
    • 详细介绍

    【产品应用】:

    主要应用于各种加工设备、机床、风机、水泵、齿轮箱、扭力板手的扭矩及功率的检测。


    【产品特点】:

      · 电阻应变为敏感元件和集成电路构成的一体产品,精度高,性能稳定可靠,低量程扭矩测量,安装使用方便。
      · 静态扭矩测量。两端键槽安装。


    【主要技术参数】:

    扭矩传感器技术参数

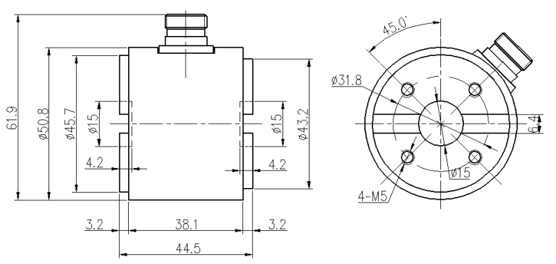
    【产品尺寸(单位mm)】:

    静态扭矩传感器尺寸图



    本文网址:http://www.chuangye020.net/product/789.html

    关键词:静态扭矩传感器,扭矩传感器,静态扭矩传感器定制

    最近浏览:

    欢迎给麻豆一级片免费观看留言
    请在此输入留言内容,麻豆一级片免费观看会尽快与您联系。
    姓名
    联系人
    电话
    座机/手机号码
    邮箱
    邮箱
    地址
    地址
    网站地图