• 麻豆一级片免费观看,麻豆啪啪啪免费观看,麻豆自慰在线观看,麻豆裸体视频国产免费观看

    欢迎访问佛山市麻豆啪啪啪免费观看传感仪器有限公司官网!

    解决方案

    产品分类

    联系麻豆一级片免费观看

    佛山市麻豆啪啪啪免费观看传感仪器有限公司

    联系人:张总

    电话:0757-22300095

    手机:18902563858

    邮箱:931199351@qq.com

    传真:0757-22300097

    地址:广东省佛山市顺德区勒流富安工业区光电产业园4栋303号

    网址:www.chuangye020.net


    HDN-2050A小型动态扭矩传感器

    您的当前位置: 首 页 >> 产品中心 >> 扭矩传感器

    HDN-2050A小型动态扭矩传感器

    • 所属分类:扭矩传感器

    • 点击次数:
    • 发布日期:2024/09/21
    • 在线询价
    • 详细介绍

    【产品应用】:

           非接触式小型动态扭矩传感器">扭矩传感器是我公司在应变桥专用技术基础上研制开发的新产品,适用于各类要求体积小、转速高的扭矩测量场合。


    【产品特点】:

    · 输出5~15kHz频率信号或4~20mA电流信号,适合远距离传输。

    · 本产品尺寸小、使用安装简便、信号抗干扰能力强,是替代进口扭矩传感器的理想产品

       · 非接触式,无磨损,最高转速8000RPM

       · 适合长期高速旋转的工况


    【主要技术参数】:

    量程

    3,5,10,20,30,50,100Nm

    供电电源

    ±15V DC(适用频率信号输出)、24V DC(适用电压或电流信号输出)

    扭矩信号

    5~15Khz(幅值12V,零点10kHz)、4~20mA、1~5V、0-10V(可选)

    转速范围

    0~1000、3000、6000、8000转/分

    转速信号

    标准产品不带测转速,如果带测转速长度增加30mm

    精度

    ±0.25%、±0.5%

    年稳定性

    0.25%/年

    绝缘电阻

    ≥2000MΩ(100VDC)

    环境温度

    -20~60℃(可定制高温型-20~120℃)

    相对湿度

    0~90%RH

    过载能力

    150%

    频率响应

    1ms


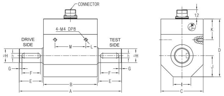
    【产品尺寸(单位mm)】:

    HDN-2050A尺寸

    image.png


    本文网址:http://www.chuangye020.net/product/774.html

    关键词:动态扭矩传感器,小型动态扭矩传感器,非接触式小型动态扭矩传感器

    最近浏览:

    欢迎给麻豆一级片免费观看留言
    请在此输入留言内容,麻豆一级片免费观看会尽快与您联系。
    姓名
    联系人
    电话
    座机/手机号码
    邮箱
    邮箱
    地址
    地址
    网站地图