
佛山市麻豆啪啪啪免费观看传感仪器有限公司
联系人:张总
电话:0757-22300095
手机:18902563858
邮箱:931199351@qq.com
传真:0757-22300097
地址:广东省佛山市顺德区勒流富安工业区光电产业园4栋303号
网址:www.chuangye020.net
HDN-1055动态扭矩传感器主要应用于各种加工设备、自动机床、电动机、发动机、内燃机等旋转动力设备,以及铁路机车、工业风机、水泵、齿轮箱、扭力板手的扭矩和功率的检测。
· 电阻应变为敏感元件和集成电路构成的一体产品,精度高,抗干扰,性能稳定可靠
· 没有集流环等磨损件,可高速长时间运转,输出正反转扭矩信号
· 两端均为键连接,安装使用方便
· 转速可达1800转/分钟
量程 | 0~3,5,10,20,30,50,100 Nm | 输出电阻 | 100μS |
灵敏度 | 1.5±10% mV / V | 绝缘电阻 | ≥5000MΩ/ 100VDC |
零点输出 | ±1% F.S. | 激励电压 | 10VDC(9-15VDC) |
非线性 | ±0.1,0.3% F.S. | 温度补偿范围 | -10 ~ 60℃ |
滞后 | ≤±0.05% F.S. | 工作温度范围 | -20 ~ 65℃ |
重复性 | ≤±0.05% F.S | 安全超载 | 150% F.S. |
蠕变 | ≤±0.03% F.S/30min | 极限超载 | 200% F.S. |
温度灵敏度漂移 | 0.03% F.S. / 10℃ | 电缆线尺寸 | Ø5.2×3m |
零点温度漂移 | 0.03% F.S. / 10℃ | 电气连接 | 红/E+,黑/E-,绿/S+,白/S- |
输入电阻 | 350,750±10Ω | 材质 | 铝,不锈钢或合金钢 |
输出电阻 | 350,700±5Ω | 其它要求 | 可定制 |

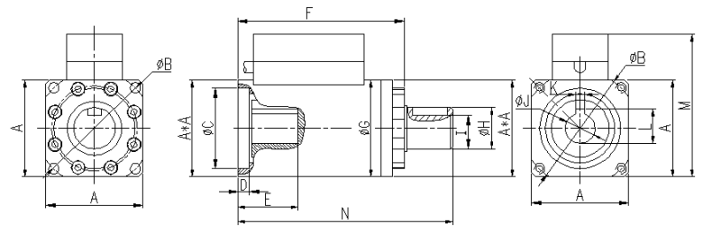
量程Nm | A | B | C | D | E | F | G | H | I | J | K | L | M | N |
0-50 | 42 | 50 | 35 | 5 | 26 | 73 | 42 | 18 | 14.5 | 13 | 4 | 14.8 | 63 | 93 |
100 | 62 | 70 | 50 | 7 | 39 | 91 | 62 | 18 | 14.5 | 16 | 6 | 18.3 | 77 | 122 |